مصنوعات
سوئنگ چیک والو
  • سوئنگ چیک والوسوئنگ چیک والو

سوئنگ چیک والو

جنکیو والو ایک کوالٹی سوئنگ چیک والو تیار کرتا ہے ، ایک خودکار والو جسے ون وے والو یا چیک والو کے نام سے بھی جانا جاتا ہے۔ اس کا فنکشن پائپ لائن میں موجود میڈیم کو پیچھے بہنے سے روکنا ہے ، جس سے سیال کو ایک سمت میں بہہ جاتا ہے۔ یہ بیک فلو (واپسی کے بہاؤ) کو مؤثر طریقے سے روکتا ہے جو پائپ لائن سسٹم کو نقصان پہنچا سکتا ہے۔ والو میڈیم کے بہاؤ اور طاقت کے ذریعہ اپنے افتتاحی اور بند ہونے والے اجزاء کو کھولتا ہے یا بند کرتا ہے تاکہ میڈیم کو پیچھے سے بہنے سے بچایا جاسکے۔
Jinquan Valve is a high-tech enterprise integrating valve product research, production, sales, and service. As an H44H and H44Y type PN16 ~ PN250 swing check valves supplier, our customized swing check valves are suitable for pressures of 1.6 ~ 25MPa, working temperatures of -29 ~ +550 ℃, and are applicable to pipeline conditions in the petroleum, chemical, pharmaceutical, fertilizer, power industries, and other environments. Applicable media include water, oil, steam, acidic media, and so on. We have been operating in the valve manufacturing field for over twenty years. With our experience, we have won high praise from the market for our reasonable prices, high quality, and attentive service.

1. خودکار افتتاحی اور بند ہونا: سوئنگ چیک والو میڈیا کے بہاؤ کی طاقت کی بنیاد پر خود بخود کھلتا اور بند ہوجاتا ہے۔ جب میڈیا مخصوص سمت میں بہتا ہے تو ، والو ڈسک کو کھلا دھکیل دیا جاتا ہے ، اور والو کھل جاتا ہے۔ جب میڈیا بہنا یا بیک فلوز بند ہوجاتا ہے تو ، والو ڈسک اپنے وزن یا موسم بہار کی قوت کے تحت بند ہوجاتی ہے ، جس سے بیک فلو کو روکتا ہے۔ خود کار طریقے سے کنٹرول حاصل کرنے کے لئے ، دستی آپریشن کی ضرورت نہیں ہے۔
2. قابل اعتماد سگ ماہی: والو ڈسک اور سیٹ کی سگ ماہی سطحیں عام طور پر ویلڈیڈ آئرن پر مبنی مصر یا اسٹیلائٹ کوبالٹ پر مبنی ہارڈ مصر سے بنی ہوتی ہیں ، جو لباس سے مزاحم ، حرارت سے بچنے والا ، سنکنرن مزاحم ہے اور اچھی سکریچ مزاحمت ہے۔ یہ ایک طویل مدتی مستحکم سگ ماہی اثر کو یقینی بناتا ہے اور میڈیا کے رساو کو مؤثر طریقے سے روکتا ہے۔ 3. غیر منقولہ بہاؤ چینل: فلو چینل عقلی طور پر ڈیزائن کیا گیا ہے ، جس کے نتیجے میں کم سیال مزاحمت ہوتی ہے۔ میڈیا سوئنگ چیک والو کے ذریعے آسانی سے گزر سکتا ہے ، جس سے دباؤ میں کمی اور توانائی کی کھپت کو کم کیا جاسکتا ہے۔

کارکردگی کے پیرامیٹرز

ماڈل H44H-16C ~ 250 H44W-16P ~ 250
کام کا دباؤ (ایم پی اے) 1.6 ~ 25
مناسب درجہ حرارت (℃) 45425 ≤550
مناسب میڈیا پانی ، بھاپ ، تیل کمزور سنکنرن میڈیم
مواد جسم ، بونٹ ، ڈسک کاربن اسٹیل کروم نکل ٹائٹینیم سٹینلیس سٹیل
سگ ماہی کی سطح کاربن اسٹیل سرفیسنگ آئرن پر مبنی مرکب جسم پر مہر لگا دی گئی

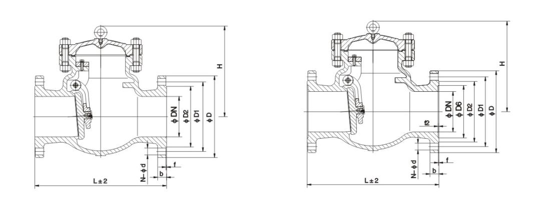
اہم شکل اور کنکشن کے طول و عرض

برائے نام قطر اہم طول و عرض اور کنکشن کے طول و عرض
L D D1 D2 b زیڈ ڈی H
H44H-16C H44W-16C H44W-16P H44W-16R H44W-16I
25 160 115 85 65 16 4-14 100
32 180 135 100 78 16 4-18 105
40 200 145 100 85 16 4-18 115
50 230 160 125 100 16 4-18 135
65 290 180 145 120 18 4-18 142
80 310 195 160 135 20 8-18 165
100 350 215 180 155 20 8-18 180
125 400 245 210 185 22 8-18 210
150 480 280 240 210 24 8-23 233
200 500 335 295 265 26 12-23 304
250 550 405 355 320 30 12-25 348
300 650 460 410 375 30 12-25 390
350 750 520 470 435 34 16-25 430
400 850 580 525 485 36 16-30 468
H44H-25 H44W-25 H44W-25P H44W-25R H44W-25I
25 160 115 85 65 16 4-14 100
32 180 135 100 78 16 4-18 105
40 200 145 110 85 16 4-18 115
50 230 160 125 100 20 4-18 160
65 290 180 145 120 22 8-18 175
80 310 195 160 135 22 8-18 185
100 350 230 190 160 24 8-23 220
125 400 270 220 188 28 8-25 248
150 480 300 250 218 30 8-25 276
200 550 360 310 278 34 12-25 350
250 650 425 370 332 36 12-30 410
300 750 485 430 390 40 16-30 430
350 850 550 490 448 44 16-34 518
400 950 610 550 505 48 16-34 560

ساخت کی تصویر

ہاٹ ٹیگز: اسٹاک میں سوئنگ چیک والو ، چین ، تخصیص کردہ ، معیار ، پائیدار ، جدید ، مینوفیکچرر ، سپلائر ، فیکٹری ، اسٹاک میں
انکوائری بھیجیں۔
رابطہ کی معلومات
  • پتہ

    نمبر 1 ، نارتھ اول روڈ ، سٹینلیس اسٹیل نیو ٹاؤن ، لی کونگ اسٹیل ورلڈ ویسٹ روڈ ، شونڈے ضلع ، فوشان سٹی ، گوانگ ڈونگ صوبہ ، چین

  • ٹیلی فون

    +86-757-28788895

  • ای میل

    jinqiufamen@gmail.com

گیٹ والوز ، گلوب والوز اور چیک والوز یا قیمت کی فہرست کے بارے میں پوچھ گچھ کے ل please ، براہ کرم اپنا ای میل ہمارے پاس چھوڑیں اور ہم 24 گھنٹوں کے اندر رابطے میں ہوں گے۔

X
ہم آپ کو براؤزنگ کا بہتر تجربہ پیش کرنے ، سائٹ ٹریفک کا تجزیہ کرنے اور مواد کو ذاتی نوعیت دینے کے لئے کوکیز کا استعمال کرتے ہیں۔ اس سائٹ کا استعمال کرکے ، آپ کوکیز کے ہمارے استعمال سے اتفاق کرتے ہیں۔ رازداری کی پالیسی
مسترد قبول کریں