مصنوعات
کاسٹ اسٹیل چیک والو
  • کاسٹ اسٹیل چیک والوکاسٹ اسٹیل چیک والو

کاسٹ اسٹیل چیک والو

جنکیو والو اعلی معیار کے کاسٹ اسٹیل چیک والوز تیار کرتا ہے ، جو خود کار طریقے سے والوز ہوتے ہیں جو درمیانے درجے کے بہاؤ کے دباؤ کی بنیاد پر خود بخود کھلتے ہیں اور جب درمیانے درجے کے پیچھے بہتے ہیں تو کشش ثقل یا پیچھے کے دباؤ سے خود بخود قریب ہوجاتے ہیں۔ یہ والوز مختلف صنعتی پائپ لائنوں کے ل suitable موزوں ہیں ، عام طور پر کاسٹ اسٹیل سے بنے ہوتے ہیں ، اور مختلف میڈیا اور درجہ حرارت کے حالات پر لاگو ہوتے ہیں۔

جنکیو والو فیکٹری کا پائیدار کاسٹ اسٹیل چیک والو دونوں طرف سے ہم آہنگ ہے ، جس سے دو طرفہ میڈیا کے بہاؤ کی اجازت ہے۔ تنصیب سیدھی ہے ، پائپ لائن کی سمت پر غور کرنے کی ضرورت کو ختم کرتی ہے ، اور آپریشن لچکدار اور آسان ہے۔ ہماری فیکٹری پہلے سالمیت اور معیار کے اصولوں پر عمل پیرا ہے۔ ہم آپ کی انکوائریوں کا پرتپاک خیرمقدم کرتے ہیں اور امید کرتے ہیں کہ آپ کے ساتھ طویل مدتی کوآپریٹو تعلقات قائم کریں گے۔ ہمارے پاس مینوفیکچرنگ میں فوائد ہیں ، جبکہ آپ کے پاس فروخت میں فوائد ہیں۔ ہم سمجھتے ہیں کہ تعاون کے ذریعہ ، ہم جیت کی صورتحال کو حاصل کرسکتے ہیں ، اور ہم ایک ساتھ ترقی کرنے کی امید کرتے ہیں!


1. کم سیال مزاحمت: کاسٹ اسٹیل چیک والو کا اندرونی میڈیم کم سے کم مزاحمت کے ساتھ سیدھی لائن میں بہتا ہے ، جس میں ہموار سیال نقل و حمل ، توانائی کی کارکردگی اور عملیتا کی سہولت ہوتی ہے۔
2. کھلنے اور بند کرنے میں آسان: کاسٹ اسٹیل چیک والو کا گیٹ عمودی طور پر سیال کے ساتھ چلتا ہے ، جس میں کم سے کم قوت کو کھولنے اور بند کرنے کی ضرورت ہوتی ہے ، آپریشن کو آسان بناتا ہے اور مزدوری کے اخراجات کی بچت ہوتی ہے۔
3. غیر محدود درمیانے بہاؤ کی سمت: کاسٹ اسٹیل چیک والو دونوں اطراف میں ہم آہنگ ہے ، جس سے دوئدمو درمیانے بہاؤ کی اجازت ہوتی ہے۔ تنصیب کے لئے پائپ لائن کے بہاؤ کی سمت پر غور کرنے کی ضرورت نہیں ہے ، جس سے آپریشن لچکدار اور آسان ہے۔
4. عمدہ سگ ماہی کی کارکردگی: جب مکمل طور پر کھلا تو پہننا کم سے کم ہوتا ہے۔ جب بند ہوجاتا ہے تو ، دباؤ ایک مہر پر مجبور کرسکتا ہے ، جو درمیانے درجے کے رساو کو مؤثر طریقے سے روکتا ہے۔

کارکردگی کے پیرامیٹرز

ماڈل H44H-16C ~ 2 = -0 H44W-16P ~ 250
کام کا دباؤ (ایم پی اے) 1.6 ~ 25
مناسب درجہ حرارت (℃) 45425 ≤550
مناسب میڈیا پانی ، بھاپ ، تیل کمزور سنکنرن میڈیم
مواد جسم ، بونٹ ، ڈسک کاربن اسٹیل کروم نکل ٹائٹینیم سٹینلیس سٹیل
سگ ماہی کی سطح کاربن اسٹیل سرفیسنگ آئرن پر مبنی مرکب جسم پر مہر لگا دی گئی

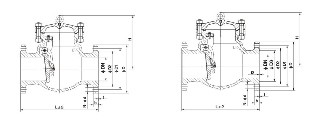
اہم شکل اور کنکشن کے طول و عرض

برائے نام قطر اہم طول و عرض اور کنکشن کے طول و عرض
L D D1 D2 b زیڈ ڈی H
H44H-16C H44W-16C H44W-16P H44W-16R H44W-16I
25 160 115 85 65 16 4-14 100
32 180 135 100 78 16 4-18 105
40 200 145 100 85 16 4-18 115
50 230 160 125 100 16 4-18 135
65 290 180 145 120 18 4-18 142
80 310 195 160 135 20 8-18 165
100 350 215 180 155 20 8-18 180
125 400 245 210 185 22 8-18 210
150 480 280 240 210 24 8-23 233
200 500 335 295 265 26 12-23 304
250 550 405 355 320 30 12-25 348
300 650 460 410 375 30 12-25 390
350 750 520 470 435 34 16-25 430
400 850 580 525 485 36 16-30 468
H44H-25 H44W-25 H44W-25P H44W-25R H44W-25I
25 160 115 85 65 16 4-14 100
32 180 135 100 78 16 4-18 105
40 200 145 110 85 16 4-18 115
50 230 160 125 100 20 4-18 160
65 290 180 145 120 22 8-18 175
80 310 195 160 135 22 8-18 185
100 350 230 190 160 24 8-23 220
125 400 270 220 188 28 8-25 248
150 480 300 250 218 30 8-25 276
200 550 360 310 278 34 12-25 350
250 650 425 370 332 36 12-30 410
300 750 485 430 390 40 16-30 430
350 850 550 490 448 44 16-34 518
400 950 610 550 505 48 16-34 560

ساخت کی تصویر

ہاٹ ٹیگز: اسٹاک میں اسٹیل چیک والو ، چین ، اپنی مرضی کے مطابق ، معیار ، پائیدار ، اعلی درجے کی ، مینوفیکچرر ، سپلائر ، فیکٹری ، اسٹاک میں
انکوائری بھیجیں۔
رابطہ کی معلومات
  • پتہ

    نمبر 1 ، نارتھ اول روڈ ، سٹینلیس اسٹیل نیو ٹاؤن ، لی کونگ اسٹیل ورلڈ ویسٹ روڈ ، شونڈے ضلع ، فوشان سٹی ، گوانگ ڈونگ صوبہ ، چین

  • ٹیلی فون

    +86-757-28788895

  • ای میل

    jinqiufamen@gmail.com

گیٹ والوز ، گلوب والوز اور چیک والوز یا قیمت کی فہرست کے بارے میں پوچھ گچھ کے ل please ، براہ کرم اپنا ای میل ہمارے پاس چھوڑیں اور ہم 24 گھنٹوں کے اندر رابطے میں ہوں گے۔

X
ہم آپ کو براؤزنگ کا بہتر تجربہ پیش کرنے ، سائٹ ٹریفک کا تجزیہ کرنے اور مواد کو ذاتی نوعیت دینے کے لئے کوکیز کا استعمال کرتے ہیں۔ اس سائٹ کا استعمال کرکے ، آپ کوکیز کے ہمارے استعمال سے اتفاق کرتے ہیں۔ رازداری کی پالیسی
مسترد قبول کریں