مصنوعات
API چیک والو
  • API چیک والوAPI چیک والو

API چیک والو

جنکیو والو ہائی کوالٹی API چیک والوز ASME ، API ، اور GB معیارات سے ملتے ہیں۔ اعلی درجے کی سی این سی مشینی مراکز اور دھات کاٹنے کے سازوسامان سے لیس ، کمپنی اس کے API چیک والو حصوں کی صحت سے متعلق اور معیار کو یقینی بنانے کے لئے آئی ایس او 9001 معیارات پر عمل پیرا ، پروڈکٹ ڈیزائن اور مینوفیکچرنگ میں سی اے ڈی/سی اے ایم ٹکنالوجی کا استعمال کرتی ہے۔

چین میں ایک پیشہ ور چیک والوز تیار کرنے والے جن کیوئو والو ، ہمارے API چیک والوز کو مکمل طور پر امریکی معیارات کے مطابق ڈیزائن اور تیار کیا گیا ہے۔ ان والوز میں جمالیاتی طور پر خوش کن ڈھانچہ اور جدید ٹکنالوجی کی خصوصیات ہے۔ API چیک والوز خود بخود کھلتے ہیں اور بیک فلو کو روکنے کے لئے میڈیم کے بہاؤ کی بنیاد پر والو ڈسک کو بند کرتے ہیں اور بند کرتے ہیں۔ وہ یکطرفہ والوز ، چیک والوز ، یا بیک فلو والوز کے نام سے بھی جانا جاتا ہے۔ ان کے اہم افعال میڈیم کے بیک فلو کو روکنے ، پمپ کو روکنے اور موٹر الٹ ڈرائیو کو روکنے اور کنٹینر کے اندر میڈیم کے رساو کو روکنے کے لئے ہیں۔


1. کم بہاؤ مزاحمت: جب API چیک والو مکمل طور پر کھلا ہوتا ہے تو ، بہاؤ کا راستہ تقریبا غیر منظم ہوتا ہے ، جس کے نتیجے میں دباؤ کم ہوتا ہے۔
2. فوری بندش اور بیک فلو کی روک تھام: والو ڈسک کی لیور کارروائی بیک فلو کے آغاز پر بھی تیز ردعمل اور بند ہونے کی اجازت دیتی ہے۔
3. وسیع اطلاق: DN50 سے DN1200 اور اس سے اوپر تک پائپ قطر کی ایک وسیع رینج کے لئے موزوں ہے۔

کارکردگی کے پیرامیٹرز

سیریل نمبر پروجیکٹ کا نام پیرامیٹر
1 برائے نام پریشر پی این (ایم پی اے) 150lb 300lb 600lb 900lb 1500lb 2500lb
2.0 5.0 10.0 15.0 25.0 42.0
2 شیل طاقت ٹیسٹ کا دباؤ کمرے کے درجہ حرارت پر برائے نام دباؤ 1.5 بار
3 ہائی پریشر مہر ٹیسٹ کا دباؤ کمرے کے درجہ حرارت پر برائے نام دباؤ 1.1 بار
4 کمرے کے درجہ حرارت پر کام کرنے کا دباؤ ASME B16.34 دباؤ اور درجہ حرارت کی درجہ بندی دبائیں

مصنوعات کی وضاحتیں

ڈیزائن کے معیارات ساخت کی لمبائی فلانج کنکشن کا سائز ٹیسٹ اور معائنہ دباؤ اور درجہ حرارت کا حوالہ
API6D/ASME B16.34 ASME B16.10 ASME B16.5 api598/api6d ASME B16.34

اہم حصہ مواد

حصہ کا نام مادی نام
جسم A216 WCB A217 WC6 A351 CF8 A351 CF8M A351 CF3 A351 CF3M
ٹوپی A216 WCB A217 WC6 A351 CF8 A351 CF8M A351 CF3 A351 CF3M
والو پلیٹ A216 WCB A217 WC6 A351 CF8 A351 CF8M A351 CF3 A351 CF3M
سگ ماہی کی سطح 13cr/stl stl جسم / stl جسم / stl جسم / stl جسم / stl
والو شافٹ A182 F6A A182 F11 A182 F304 A182 F316 A182 F304L A182 F316L
گاسکیٹ لچکدار گریفائٹ لچکدار گریفائٹ لچکدار گریفائٹ لچکدار گریفائٹ لچکدار گریفائٹ لچکدار گریفائٹ
بولٹ A193 B7 A193 B16 A193 B8 A193 B8M A193 B8 A193 B8M
نٹ A194 2H A194 4 A194 8 A194 8m A194 8 A194 8m
آپریٹنگ درجہ حرارت -29 ~ 425 ℃ -29 ~ 540 ℃ -46 ~ 425 ℃ -46 ~ 425 ℃ -46 ~ 425 ℃ -46 ~ 425 ℃
مناسب میڈیا بھاپ بھاپ کمزور سنکنرن کمزور سنکنرن کمزور سنکنرن کمزور سنکنرن

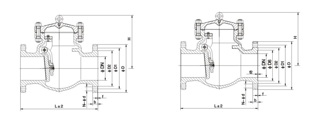
اہم شکل اور کنکشن کے طول و عرض

برائے نام قطر سائز
m میں L D D1 D2 b f N-d H
H44H-150LB
50 2 203 152 120.5 92 16 1.6 4-19 180
80 3 241 192 152.5 127 19 1.6 4-19 190
100 4 297 229 190.5 157 24 1.6 8-19 203
125 5 330 254 216 186 24 1.6 8-22 229
150 6 356 279 241.5 216 26 1.6 8-22 257
200 8 495 342 298.5 270 29 1.6 8-22 292
250 10 622 406 362 324 31 1.6 12-25 355
300 12 698 483 432 381 32 1.6 12-25 396
H44H-300LB
50 2 267 165 127 92 23 1.6 8-19 178
80 3 318 210 168.5 127 29 1.6 8-22 216
100 4 356 254 200 157 32 1.6 8-22 241
125 5 400 279 235 186 35 1.6 8-22 267
150 6 444 318 270 216 37 1.6 12-22 305
200 8 533 381 330 270 42 1.6 12-25 368
250 10 622 445 387 324 48 1.6 16-29 394
300 12 711 521 451 381 51 1.6 16-32 445
H44H-600LB
50 2 295 165 127 92 33 6.4 8-19 203
80 3 359 210 168 127 36 6.4 8-22 235
100 4 435 273 216 157 45 6.4 8-25 286
125 5 511 330 266.5 186 52 6.4 8-29 292
150 6 562 356 292 216 55 6.4 12-29 330
200 8 664 419 349 270 63 6.4 12-32 381
250 10 791 510 432 324 71 6.4 16-35 457
300 12 842 559 489 381 74 6.4 20-35 584

ساخت کی تصویر

ہاٹ ٹیگز: اسٹاک میں API چیک والو ، چین ، تخصیص کردہ ، معیار ، پائیدار ، جدید ، مینوفیکچرر ، سپلائر ، فیکٹری ، اسٹاک میں
انکوائری بھیجیں۔
رابطہ کی معلومات
  • پتہ

    نمبر 1 ، نارتھ اول روڈ ، سٹینلیس اسٹیل نیو ٹاؤن ، لی کونگ اسٹیل ورلڈ ویسٹ روڈ ، شونڈے ضلع ، فوشان سٹی ، گوانگ ڈونگ صوبہ ، چین

  • ٹیلی فون

    +86-757-28788895

  • ای میل

    jinqiufamen@gmail.com

گیٹ والوز ، گلوب والوز اور چیک والوز یا قیمت کی فہرست کے بارے میں پوچھ گچھ کے ل please ، براہ کرم اپنا ای میل ہمارے پاس چھوڑیں اور ہم 24 گھنٹوں کے اندر رابطے میں ہوں گے۔

X
ہم آپ کو براؤزنگ کا بہتر تجربہ پیش کرنے ، سائٹ ٹریفک کا تجزیہ کرنے اور مواد کو ذاتی نوعیت دینے کے لئے کوکیز کا استعمال کرتے ہیں۔ اس سائٹ کا استعمال کرکے ، آپ کوکیز کے ہمارے استعمال سے اتفاق کرتے ہیں۔ رازداری کی پالیسی
مسترد قبول کریں