مصنوعات
سٹینلیس سٹیل گلوب والو
  • سٹینلیس سٹیل گلوب والوسٹینلیس سٹیل گلوب والو

سٹینلیس سٹیل گلوب والو

پائیدار J41H ، J41Y ، J41W سٹینلیس سٹیل گلوب والو JQF والو کے ذریعہ تیار کردہ۔ اس کا افتتاحی اور اختتامی حصہ ایک بیلناکار والو فلیپ ہے ، سگ ماہی کی سطح فلیٹ یا مخروط ہے ، اور والو فلیپ سیال کی مرکز کی لکیر کے ساتھ خطی طور پر حرکت کرتا ہے۔ سٹینلیس سٹیل کٹ آف والو صرف مکمل افتتاحی اور مکمل بند ہونے کے لئے موزوں ہے۔ یہ عام طور پر بہاؤ کی شرح کو ایڈجسٹ کرنے کے لئے استعمال نہیں ہوتا ہے۔ اپنی مرضی کے مطابق جب اسے ایڈجسٹ اور گلا گھونٹ دیا جاسکتا ہے۔
فوشن جنکیو والو کمپنی ، لمیٹڈ ڈیزائن ، ترقی ، مینوفیکچرنگ ، سیلز ، اور سروس کو مربوط کرنے والا ایک اعلی معیار کا سٹینلیس سٹیل گلوب والو مینوفیکچر ہے۔ ہماری اہم مصنوعات میں مختلف کنٹرول والوز ، الیکٹرک والوز ، نیومیٹک والوز ، سولینائڈ والوز ، دستی والوز ، ایکچوایٹرز ، اور والو لوازمات شامل ہیں۔
ہمارا سٹینلیس سٹیل گلوب والو ایک گیٹ والو ہے جس میں ایک سٹینلیس سٹیل کاسٹ باڈی ہے ، دونوں سروں پر فلانجڈ کنکشن ، اور گیٹ والو کا ڈھانچہ ہے۔ اس کا بنیادی فنکشن پائپ لائنوں میں بہاؤ کو واضح طور پر منظم کرنا یا معتبر طور پر میڈیم بند کرنا ہے۔
اس کی عمدہ سنکنرن مزاحمت اور قابل اعتماد سگ ماہی کی کارکردگی کی وجہ سے ، یہ کیمیائی ، پیٹروکیمیکل ، فوڈ ، اور دواسازی کی صنعتوں میں سنکنرن میڈیا یا اعلی صفائی کی ایپلی کیشنز کے لئے ترجیحی والوز میں سے ایک بن گیا ہے۔
Customers trust JQF valves' high quality, reliable performance, and good and comprehensive customer service. We will continue to innovate to provide first-class valve solutions.

1. سادہ ڈھانچہ: سٹینلیس سٹیل گلوب والو کا ڈیزائن آسان ہے ، جس سے مینوفیکچرنگ اور دیکھ بھال آسان اور موثر ہے۔
2. ریپڈ رسپانس: مختصر ورکنگ اسٹروک انتہائی تیز والو کھولنے اور بند ہونے کی اجازت دیتا ہے۔
3. پائیدار سگ ماہی: عمدہ سگ ماہی اثر ، کم سے کم رگڑ مزاحمت ، اور طویل خدمت کی زندگی۔

ایگزیکٹو اسٹینڈرڈ

ڈیزائن کی وضاحتیں: جی بی / ٹی 12235
ساخت کی لمبائی: جی بی / ٹی 12221
فلانج کنکشن: جے بی / ٹی 79
ٹیسٹ اور معائنہ: جے بی / ٹی 9002
مصنوعات کی شناخت: جی بی / ٹی 12220
ترسیل کی وضاحتیں: جے بی / ٹی 7928

کارکردگی کے پیرامیٹرز

ماڈل J41H-16C ~ 160C J41Y-16C ~ 160C J41W-16P ~ 160p
کام کا دباؤ (ایم پی اے) 1.6 ~ 16.0
مناسب درجہ حرارت (℃) 45425 ≤150
مناسب میڈیا پانی ، بھاپ ، تیل کمزور سنکنرن میڈیم
مواد جسم ، بونٹ کاربن اسٹیل کروم نکل ٹائٹینیم سٹینلیس سٹیل
والو اسٹیم کروم سٹینلیس سٹیل کروم نکل ٹائٹینیم سٹینلیس سٹیل
سگ ماہی کی سطح آئرن پر مبنی مرکب کی سطح کو سرفیس کرنا ہارڈ فیکسنگ مصر جسمانی مواد
فلر ایسبیسٹوس گریفائٹ ، لچکدار گریفائٹ ، پی ٹی ایف ای

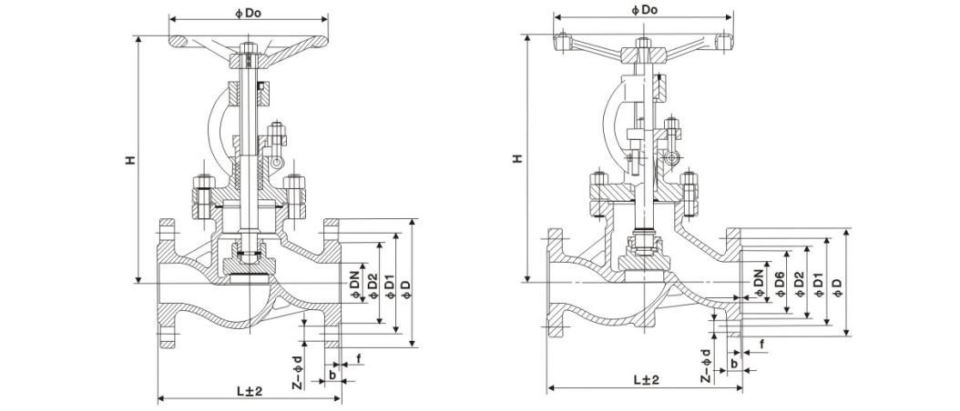
اہم شکل اور کنکشن کا سائز

برائے نام قطر اہم طول و عرض اور کنکشن کے طول و عرض
L D D1 D2 b زیڈ ڈی H D0
J41H-16C
15 130 95 65 45 14-2 4-φ14 170 120
20 150 105 75 55 14-2 4-φ14 190 140
25 160 115 85 65 14-2 4-φ14 205 160
32 180 135 100 78 16-2 4-18 270 180
40 200 145 110 85 16-3 4-18 310 200
50 230 160 125 100 16-3 4-18 358 240
65 290 180 145 120 18-3 4-18 373 240
80 310 195 160 135 20-3 8-φ18 435 280
100 350 215 180 155 20-3 8-φ18 500 300
125 400 245 210 185 22-3 8-φ18 614 320
150 480 280 240 210 24-3 8- φ23 674 360
200 600 335 295 265 26-3 12-23 811 400
250 650 405 355 320 30-3 12-25 969 450
300 750 460 410 375 30-3 12-25 1145 580
350 850 520 470 435 34-4 16-25 1280 640
400 980 580 525 485 36-4 16-30 1452 640
J41H-25C
15 130 95 65 45 16-2 4-φ14 170 120
20 150 105 75 55 16-2 4-φ14 190 140
25 160 115 85 65 16-2 4-φ14 205 160
32 180 135 100 78 18-2 4-18 270 180
40 200 145 110 85 18-3 4-18 310 200
50 230 160 125 100 20-3 4-18 358 240
65 290 180 145 120 22-3 8-φ18 373 240
80 310 195 160 135 22-3 8-φ18 435 280
100 350 230 190 160 24-3 8- φ23 500 300
125 400 270 220 188 28-3 8-φ25 614 320
150 480 300 250 218 30-3 8-φ25 674 360
200 600 360 310 278 34-3 12-25 811 400
250 650 425 370 332 36-3 12-30 969 450
300 750 485 430 390 40-4 16-30 1145 580
350 850 550 490 448 44-4 16-34 1280 640
400 980 610 550 505 48-4 16-34 1452 640

ساخت کی تصویر

ہاٹ ٹیگز: اسٹاک میں سٹینلیس سٹیل گلوب ، چین ، اپنی مرضی کے مطابق ، معیار ، پائیدار ، اعلی درجے کی ، صنعت کار ، سپلائر ، فیکٹری ،
انکوائری بھیجیں۔
رابطہ کی معلومات
  • پتہ

    نمبر 1 ، نارتھ اول روڈ ، سٹینلیس اسٹیل نیو ٹاؤن ، لی کونگ اسٹیل ورلڈ ویسٹ روڈ ، شونڈے ضلع ، فوشان سٹی ، گوانگ ڈونگ صوبہ ، چین

  • ٹیلی فون

    +86-757-28788895

  • ای میل

    jinqiufamen@gmail.com

گیٹ والوز ، گلوب والوز اور چیک والوز یا قیمت کی فہرست کے بارے میں پوچھ گچھ کے ل please ، براہ کرم اپنا ای میل ہمارے پاس چھوڑیں اور ہم 24 گھنٹوں کے اندر رابطے میں ہوں گے۔

X
ہم آپ کو براؤزنگ کا بہتر تجربہ پیش کرنے ، سائٹ ٹریفک کا تجزیہ کرنے اور مواد کو ذاتی نوعیت دینے کے لئے کوکیز کا استعمال کرتے ہیں۔ اس سائٹ کا استعمال کرکے ، آپ کوکیز کے ہمارے استعمال سے اتفاق کرتے ہیں۔ رازداری کی پالیسی
مسترد قبول کریں