مصنوعات
جی بی اسٹینڈرڈ گلوب والو
  • جی بی اسٹینڈرڈ گلوب والوجی بی اسٹینڈرڈ گلوب والو

جی بی اسٹینڈرڈ گلوب والو

اعلی معیار اور اپنی مرضی کے مطابق جے 41 ایچ ، جے 41 وائی ، اور جے 41 ڈبلیو ٹائپ جی بی اسٹینڈرڈ گلوب والوز چین میں ایک پیشہ ور والوز تیار کرنے والے جے کیو ایف والو کے ذریعہ تیار کیے گئے ہیں۔ ان کے افتتاحی اور اختتامی حصے بیلناکار والو ڈسکس ہیں ، اور سگ ماہی کی سطح یا تو فلیٹ یا مخروط ہے۔ والو ڈسکس سیال سینٹر لائن کے ساتھ ساتھ خطوطی حرکت کرتے ہیں۔ جی بی اسٹینڈرڈ گلوب والوز صرف مکمل طور پر کھلی یا مکمل طور پر بند ایپلی کیشنز کے لئے موزوں ہیں اور عام طور پر بہاؤ کے ضابطے کے لئے استعمال نہیں ہوتے ہیں ، لیکن بہاؤ کے ضابطے اور تھروٹلنگ کو صارفین کی ضروریات کے مطابق انجام دیا جاسکتا ہے۔
Foshan Jinqiu Valve Co., Ltd. is a manufacturing factory integrating valve R&D, manufacturing, sales, and service. Our durable GB standard globe valves are specifically designed for oxygen pipelines, ensuring safe, stable, and efficient operation. Made from high-quality materials and undergoing rigorous degreasing and cleaning processes, these valves effectively prevent combustion risks and guarantee reliable sealing performance.

اسٹاک میں جی بی اسٹینڈرڈ گلوب والو PN1.6-PN16 اور DN15-DN400 کے سائز کے دباؤ کے لئے موزوں ہے ، وہ ہمیشہ دھات کاری ، کیمیائی ، طبی گیس اور توانائی کی صنعتوں میں استعمال ہوتے ہیں۔

ساختی خصوصیات

ہم اس کے اعلی معیار کے جی بی اسٹینڈرڈ گلوب والوز اور بقایا کسٹمر سروس کے ساتھ وقت کے ساتھ مستقل مزاجی کو برقرار رکھتے ہوئے ، مستقل طور پر جدت طرازی کرتے ہیں اور ان کا تعاقب کرتے ہیں! ہم اعلی درجے کے گھریلو اور بین الاقوامی والو برانڈ کی تعمیر کے لئے کوشاں ہیں ، ہم فعال طور پر جدید آلات ، انٹرپرائز مینجمنٹ ، اور تکنیکی خدمت کے اہلکار متعارف کرواتے ہیں۔ ہم نئے اور پرانے صارفین کو اپنی سہولیات کا دورہ کرنے اور ان کا معائنہ کرنے ، باہمی فائدے کے لئے تعاون کرنے اور مشترکہ طور پر بہتر مستقبل بنانے کے لئے خیرمقدم کرتے ہیں!

ایگزیکٹو اسٹینڈرڈ

ڈیزائن کی وضاحتیں: جی بی / ٹی 12235
ساخت کی لمبائی: جی بی / ٹی 12221
فلانج کنکشن: جے بی / ٹی 79
ٹیسٹ اور معائنہ: جے بی / ٹی 9002
مصنوعات کی شناخت: جی بی / ٹی 12220
ترسیل کی وضاحتیں: جے بی / ٹی 7928

خصوصیات

1. ہموار اور بہتر ڈھانچہ: ایک آسان ڈیزائن جزو کی تیاری اور سامان کی بحالی کی کارکردگی کو 30 ٪ تک بہتر بناتا ہے۔ 2. فوری طور پر افتتاحی اور اختتامی کنٹرول: مائیکرو اسٹروک ڈھانچہ ڈیزائن ہر سائیکل میں 0.8 سیکنڈ کی افتتاحی اور اختتامی ردعمل کی رفتار حاصل کرتا ہے۔ 3. دیرپا سگ ماہی کا نظام: سیلف لبریٹنگ سگ ماہی سطح کی ٹیکنالوجی رگڑ کا ایک انتہائی کم قابلیت حاصل کرتی ہے۔ جامع سگ ماہی پرت میں عمر رسیدہ عمر کی عمر 50،000 سے زیادہ ہے جو 50،000 کے افتتاحی اور بند کرنے والے چکروں سے زیادہ ہے۔

کارکردگی کے پیرامیٹرز

ماڈل J41H-16C ~ 160C J41Y-16C ~ 160C J41W-16P ~ 160p
کام کا دباؤ (ایم پی اے) 1.6 ~ 16.0
مناسب درجہ حرارت (℃) 45425 ≤150
مناسب میڈیا پانی ، بھاپ ، تیل کمزور سنکنرن میڈیم
مواد جسم ، بونٹ کاربن اسٹیل کروم نکل ٹائٹینیم سٹینلیس سٹیل
والو اسٹیم کروم سٹینلیس سٹیل کروم نکل ٹائٹینیم سٹینلیس سٹیل
سگ ماہی کی سطح آئرن پر مبنی مرکب کی سطح کو سرفیس کرنا ہارڈ فیکسنگ مصر جسمانی مواد
فلر ایسبیسٹوس گریفائٹ ، لچکدار گریفائٹ ، پی ٹی ایف ای

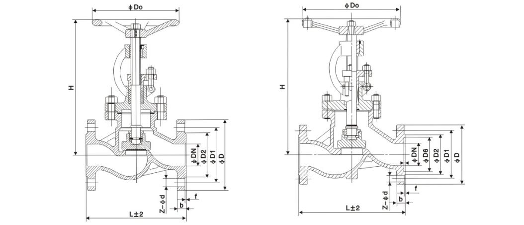
اہم شکل اور کنکشن کا سائز

برائے نام قطر اہم طول و عرض اور کنکشن کے طول و عرض
L D D1 D2 b زیڈ ڈی H D0
J41H-16C
15 130 95 65 45 14-2 4-φ14 170 120
20 150 105 75 55 14-2 4-φ14 190 140
25 160 115 85 65 14-2 4-φ14 205 160
32 180 135 100 78 16-2 4-18 270 180
40 200 145 110 85 16-3 4-18 310 200
50 230 160 125 100 16-3 4-18 358 240
65 290 180 145 120 18-3 4-18 373 240
80 310 195 160 135 20-3 8-φ18 435 280
100 350 215 180 155 20-3 8-φ18 500 300
125 400 245 210 185 22-3 8-φ18 614 320
150 480 280 240 210 24-3 8- φ23 674 360
200 600 335 295 265 26-3 12-23 811 400
250 650 405 355 320 30-3 12-25 969 450
300 750 460 410 375 30-3 12-25 1145 580
350 850 520 470 435 34-4 16-25 1280 640
400 980 580 525 485 36-4 16-30 1452 640
J41H-25C
15 130 95 65 45 16-2 4-φ14 170 120
20 150 105 75 55 16-2 4-φ14 190 140
25 160 115 85 65 16-2 4-φ14 205 160
32 180 135 100 78 18-2 4-18 270 180
40 200 145 110 85 18-3 4-18 310 200
50 230 160 125 100 20-3 4-18 358 240
65 290 180 145 120 22-3 8-φ18 373 240
80 310 195 160 135 22-3 8-φ18 435 280
100 350 230 190 160 24-3 8- φ23 500 300
125 400 270 220 188 28-3 8-φ25 614 320
150 480 300 250 218 30-3 8-φ25 674 360
200 600 360 310 278 34-3 12-25 811 400
250 650 425 370 332 36-3 12-30 969 450
300 750 485 430 390 40-4 16-30 1145 580
350 850 550 490 448 44-4 16-34 1280 640
400 980 610 550 505 48-4 16-34 1452 640

ساخت کی تصویر

ہاٹ ٹیگز: اسٹاک میں جی بی اسٹینڈرڈ گلوب والو ، چین ، اپنی مرضی کے مطابق ، معیار ، پائیدار ، جدید ، مینوفیکچرر ، سپلائر ، فیکٹری ،
انکوائری بھیجیں۔
رابطہ کی معلومات
  • پتہ

    نمبر 1 ، نارتھ اول روڈ ، سٹینلیس اسٹیل نیو ٹاؤن ، لی کونگ اسٹیل ورلڈ ویسٹ روڈ ، شونڈے ضلع ، فوشان سٹی ، گوانگ ڈونگ صوبہ ، چین

  • ٹیلی فون

    +86-757-28788895

  • ای میل

    jinqiufamen@gmail.com

گیٹ والوز ، گلوب والوز اور چیک والوز یا قیمت کی فہرست کے بارے میں پوچھ گچھ کے ل please ، براہ کرم اپنا ای میل ہمارے پاس چھوڑیں اور ہم 24 گھنٹوں کے اندر رابطے میں ہوں گے۔

X
ہم آپ کو براؤزنگ کا بہتر تجربہ پیش کرنے ، سائٹ ٹریفک کا تجزیہ کرنے اور مواد کو ذاتی نوعیت دینے کے لئے کوکیز کا استعمال کرتے ہیں۔ اس سائٹ کا استعمال کرکے ، آپ کوکیز کے ہمارے استعمال سے اتفاق کرتے ہیں۔ رازداری کی پالیسی
مسترد قبول کریں